Как это работает:
Впускной воздух направляется через масляную ванну. Там частицы грубой пыли удаляются из воздуха, а затем перенаправлены вверх. Восходящий поток смачивает упаковку фильтра с маслом из масляной бани, а грязь в воздухе находуется там. Это масло потоки в ванну, а там есть грязь.
Преимущества во взглядах:
Отдельные 99% примесей от воздуха в потребления
Улучшить эффективность топлива для достижения экономии топлива.
Нужно только заменить масло, сохранить затраты
Вежливость пыли ужина, подходит для пыли рабочих условий
Расширить срок службы фильтра воздушного фильтра, который используется в качестве предварительно очистителя
Уменьшить время вниз
Сервис без запасных частей
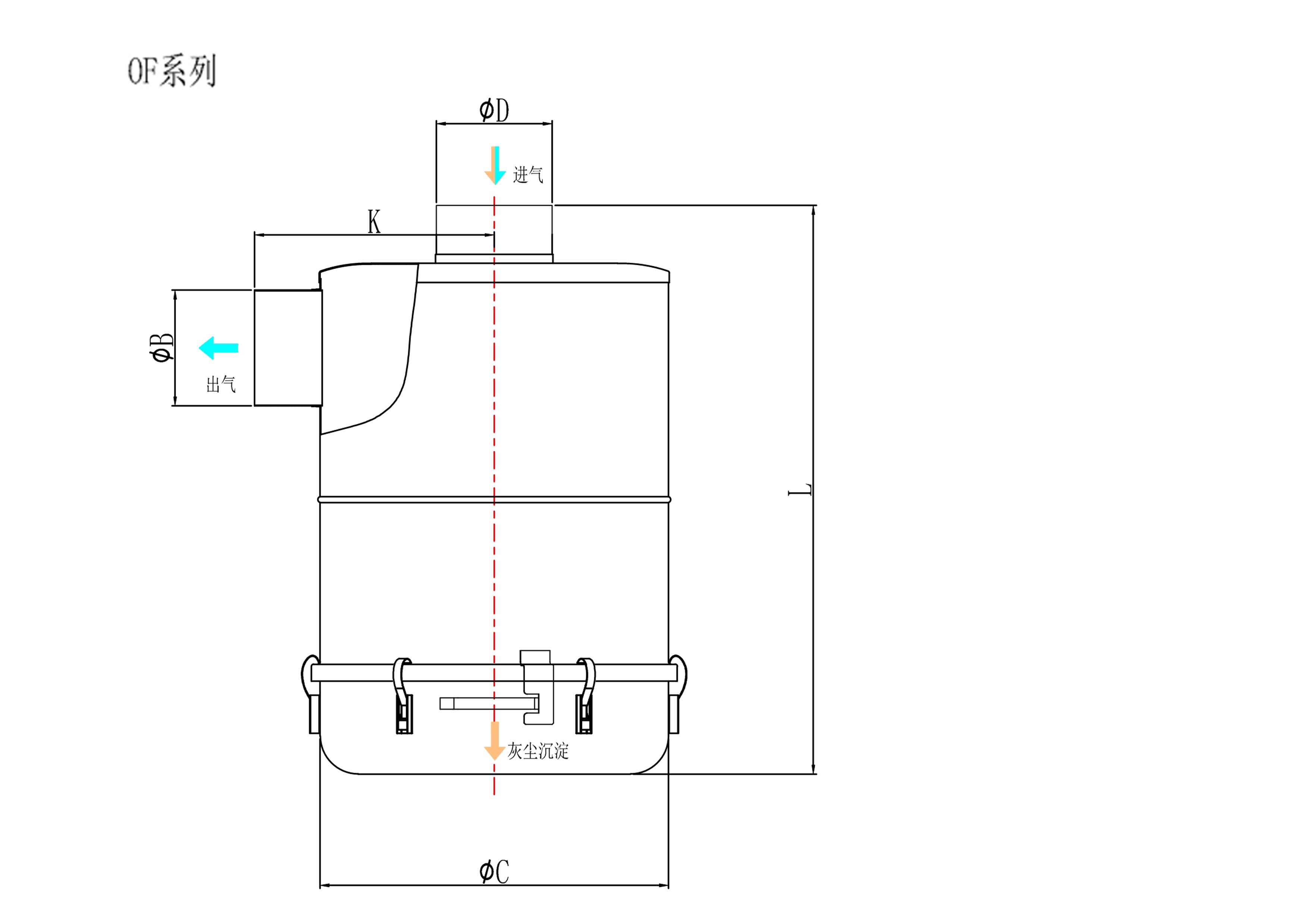
| модель | Диапазон воздушного потока | Диапазон мощности | масса | измерение | |||
| L (высота) | Φc (диаметр) | Φb. (Выходной план трубы) | Φd. (Диаметр впускной трубы) | ||||
| От21. | 15-21 м³ / мин (531-743CFM) | 180-280 л.с. (134-209 кВт) | 12,24 кг | 516 мм (20,31 \") | 388 мм (15.28 \") | 133 мм (5.24 \") | 152 мм (5,98 \") |
| От28. | 21-28 м³ / мин (741-988CFM) | 280-320 л.с. (209-239 кВт) | 15,31 кг | 586 мм (23.07 \") | 388 мм (15.28 \") | 152 мм (5,98 \") | 152 мм (5,98 \") |
| От35. | 28-35 м³ / мин (988-1235CFM) | 320-380 л.с. (239-283 кВт) | 18,26 кг | 746 мм (29,37 \") | 388 мм (15.28 \") | 152 мм (5,98 \") | 152 мм (5,98 \") |
| 440. | 35-43 м³ / мин (1235-1517CFM) | 380-450 л.с. (283-336 кВт) | 21,08 кг | 781 мм (30,75 \") | 388 мм (15.28 \") | 152 мм (5,98 \") | 152 мм (5,98 \") |
Как это работает:
Впускной воздух направляется через масляную ванну. Там частицы грубой пыли удаляются из воздуха, а затем перенаправлены вверх. Восходящий поток смачивает упаковку фильтра с маслом из масляной бани, а грязь в воздухе находуется там. Это масло потоки в ванну, а там есть грязь.
Преимущества во взглядах:
Отдельные 99% примесей от воздуха в потребления
Улучшить эффективность топлива для достижения экономии топлива.
Нужно только заменить масло, сохранить затраты
Вежливость пыли ужина, подходит для пыли рабочих условий
Расширить срок службы фильтра воздушного фильтра, который используется в качестве предварительно очистителя
Уменьшить время вниз
Сервис без запасных частей
| модель | Диапазон воздушного потока | Диапазон мощности | масса | измерение | |||
| L (высота) | Φc (диаметр) | Φb. (Выходной план трубы) | Φd. (Диаметр впускной трубы) | ||||
| От21. | 15-21 м³ / мин (531-743CFM) | 180-280 л.с. (134-209 кВт) | 12,24 кг | 516 мм (20,31 \") | 388 мм (15.28 \") | 133 мм (5.24 \") | 152 мм (5,98 \") |
| От28. | 21-28 м³ / мин (741-988CFM) | 280-320 л.с. (209-239 кВт) | 15,31 кг | 586 мм (23.07 \") | 388 мм (15.28 \") | 152 мм (5,98 \") | 152 мм (5,98 \") |
| От35. | 28-35 м³ / мин (988-1235CFM) | 320-380 л.с. (239-283 кВт) | 18,26 кг | 746 мм (29,37 \") | 388 мм (15.28 \") | 152 мм (5,98 \") | 152 мм (5,98 \") |
| 440. | 35-43 м³ / мин (1235-1517CFM) | 380-450 л.с. (283-336 кВт) | 21,08 кг | 781 мм (30,75 \") | 388 мм (15.28 \") | 152 мм (5,98 \") | 152 мм (5,98 \") |